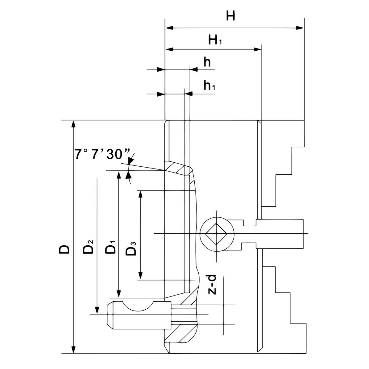
| TEKNISET TIEDOT | 200/D5 |
| D-halkaisija | 200 mm |
| Kartio | 5 |
| D1(max) | 82,56 mm |
| D2 | 104,80 mm |
| D3 | 56 mm |
| H1 | 75 mm |
| Max. nopeus | 1440 rpm |
| Paino n. | 17 kg |
| Tuotenumero | 21-5060 |
4-leukaistukka K72 DIN 55029 K72- 200/D5
405,00 €(322,71 € alv 0%)
Osta nyt, maksa myöhemmin
Lue lisää
✕
Maksa 39,35 €/kuukausi 12 kuukautta (0% korko).
Aloitusmaksu: 0,00 €
Käsittelymaksu: 0,00 €
Yhteensä 466,60 € 12 kuukauden aikana.
- 4-leukaistukka, valurautamalli
- DIN 55029 mukainen Camlock-suorakiinnitys
- Neljä yksittäin säädettävää kiinnitysleukaa
- Kun läpimitta on yli 300 mm, on laikkaan jyrsitty T-urat
- Sisältää 1 sarjan kovia, ysiosaisia leukoja
Saatavilla
Toimitusaika 7-21 päivää
Tuotetunnus (SKU): 21-5060
Osastot: 4-leukaistukat, K72 valu,DIN55029, Metallikoneiden varusteet, Sorvinpakat ja leuat
Tuotemerkki: Bernardo
Lisätiedot
| Paino | 17 kg (kilogramma) |
|---|

