Ominaisuudet:
Malli:
- Vakiomallinen kolmileukasorvinistukka laadukasta valurautaa
- DIN 6350 mukainen keskiökiinnitys
- Sisältää 1 sarjan sekä sorvaus- että porrasleukoja
Käyttöalue:
- Soveltuu sorveihin ja jyrsinkoneisiin
Vakiovarusteet
- 1 sarja sorvausleukoja DIJ-DK11
- 1 sarja porrasleukoja DOJ-DK11
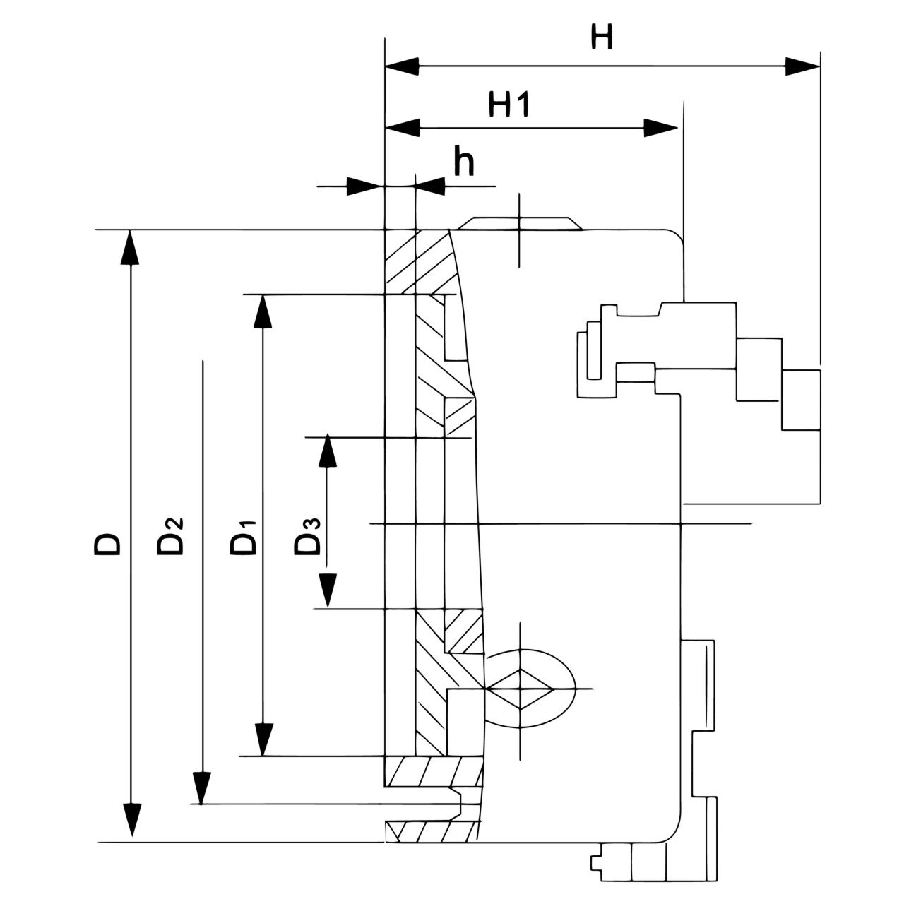
| Pakan halk. | 315 mm |
| D1 | 260 mm |
| D2 | 286 mm |
| D3 | 100 mm |
| H | 156,5 mm |
| H1 | 90 mm |
| h | 6 mm |
| Kiinnitysruuvit | 6 x M16 |
| Maks. kierrosluku | 1200 rpm |
| Paino n. | 47 kg |
| Tuotenumero | 21-0756 |

