Ominaisuudet
Malli:
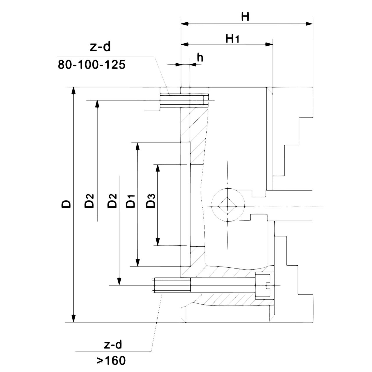
- 4-leukaistukka, valurautamalli
- DIN 6350 mukainen keskiökiinnitys
- Neljä yksittäin säädettävää kiinnitysleukaa
- Kun läpimitta on yli 160 mm, asennetaan 4-leukaistukka edestä laipan päälle
- Kun läpimitta on yli 300 mm, on laikkaan jyrsitty T-urat
- Sisältää sarjan kovia, ysiosaisia leukoja
Käyttöalue:
- Soveltuu epäsymmetristen ja suorakulmaisten työkappaleiden kiinnittämiseen sorviin
| Istukan D-koot | 100 |
| D1 | 72 mm |
| D2 | 84 mm |
| D3 | 25 mm |
| H | 77 mm |
| H1 | 54 mm |
| h | 4 mm |
| Kiinnitysruuvit | 4 x M8 |
| Maks. kierrosluku | 2400 rpm |
| Paino n. | 3,15 kg |

