Ominaisuudet:
- Voidaan käyttää jyrsinnässä ja porauksessa vaaka- tai pystyjyrsinkoneissa, porakoneissa jne.
- Pöytälevy on valmistettu korkealaatuisesta valuraudasta
- Karkaistut ja hiotut hammaspyörät, matopyörä erikoisvalua
- Pöytälevy kiinnitetään kahdella kiinnitysvivulla
- Välitys matopyöräparissa 90:1
- Indeksointiasteikko säädettävällä kulmalla
- Suoralla jaolla tehtävät työt pöydässä olevan 360° mitta-asteikon avulla
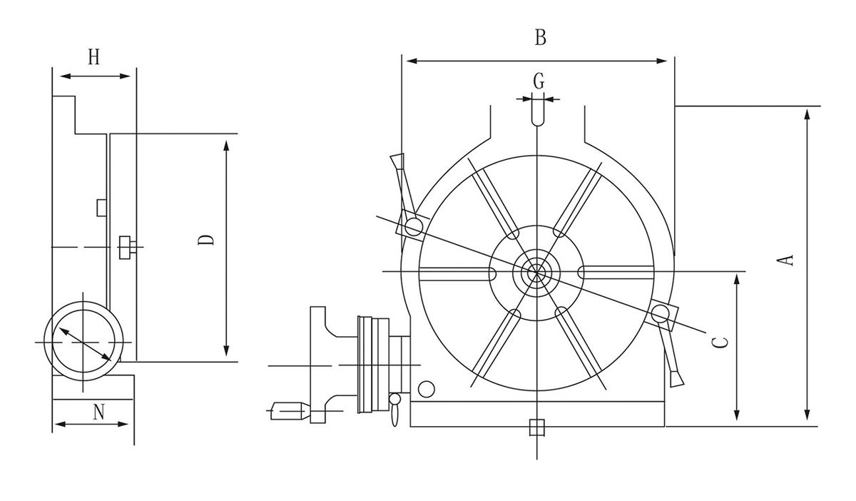
| TEKNISET TIEDOT | HV 6 |
| Pöydän halkaisija | 150 mm |
| Suhde | 90:1 |
| Morsekartio | MK 2 |
| T-urat | 4 kpl |
| Max.kantavuus, vaaka | 40 kg |
| Max.kantavuus, pysty | 20 kg |
| A | 200 mm |
| B | 160 mm |
| C | 100 mm |
| D | 150 mm |
| E | 11 mm |
| G | 17 mm |
| H | 83 mm |
| N | 78 mm |
| Paino n. | 14 kg |
| Tuotenumero | 27-1000 |




