Ominaisuudet
Malli:
- Vakiomallinen 4-leukaistukka laadukasta valurautaa
- DIN 55029 mukainen Camlock-suorakiinnitys
- Sisältää 1 sarjan sekä sorvaus- että porrasleukoja
Käyttöalue:
- Sopii yleismallisiin sorveihin
Vakiovarusteet
- 1 sarja sorvausleukoja DIJ-DK11
- 1 sarja porrasleukoja DOJ-DK11
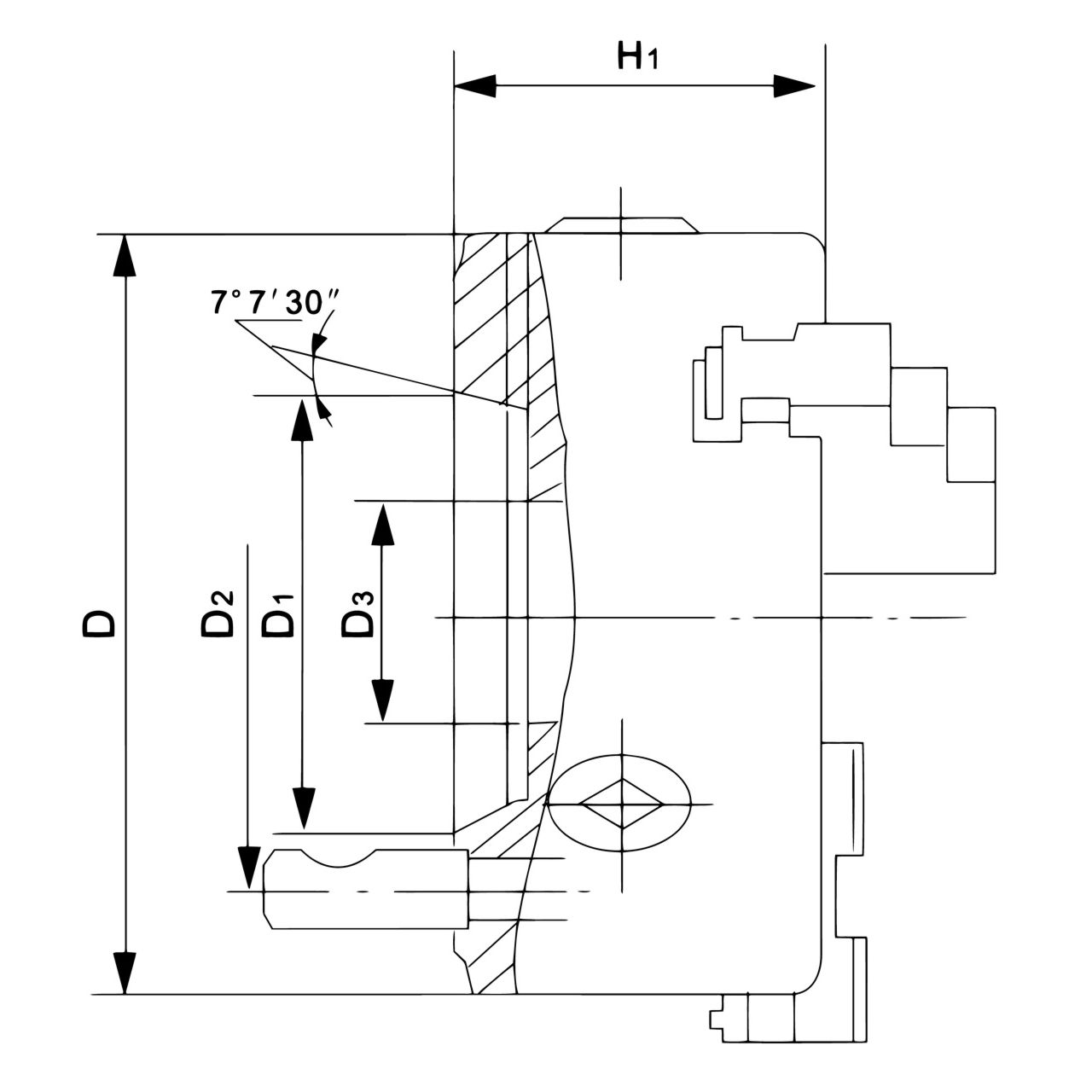
| Istukan koko | 160/D4 |
| D-halkaisija | 160 mm |
| Kartio | 4 |
| D1 (maks.) | 63,526 mm |
| D2 | 82,6 mm |
| D3 | 40 mm |
| H1 | 74 mm |
| Maks. kierrosluku | 2500 rpm |
| Paino n. | 9 kg |



