Malli:
- Vakiomallinen 4-leukaistukka laadukasta valurautaa
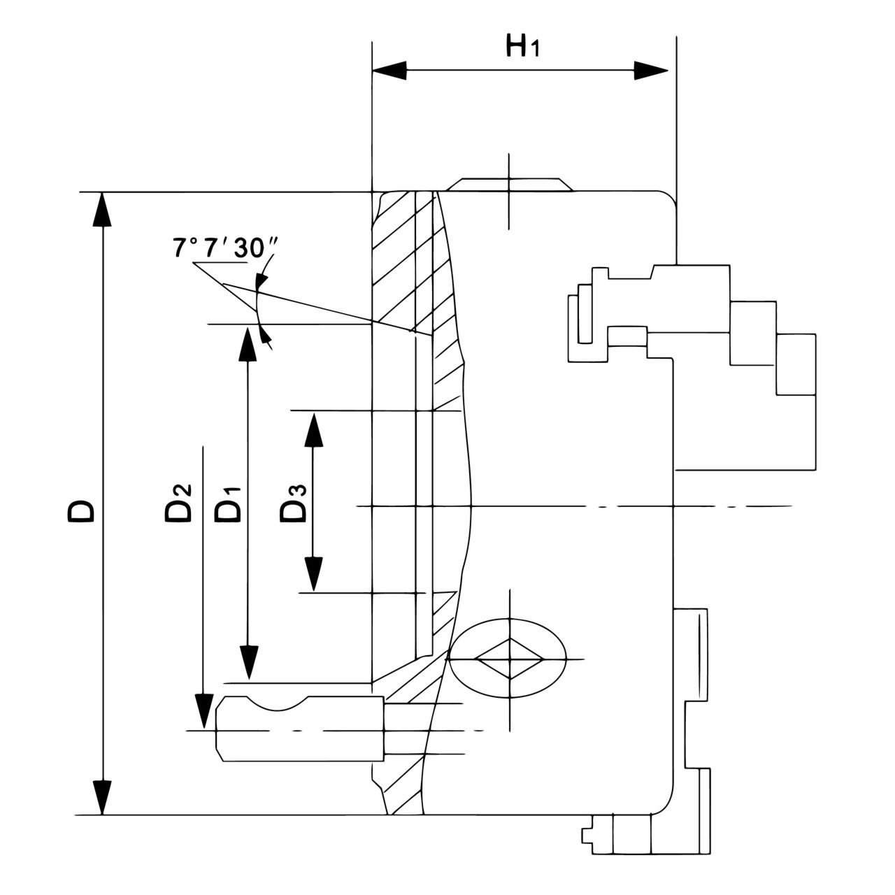
- DIN 55029 mukainen Camlock-suorakiinnitys
- Sisältää 1 sarjan sekä sorvaus- että porrasleukoja
Käyttöalue:
- Sopii yleismallisiin sorveihin
Vakiovarusteet
- 1 sarja sorvausleukoja DIJ-DK11
- 1 sarja porrasleukoja DOJ-DK11
| Istukan koko | 200/D5 |
| D-halkaisija | 200 mm |
| Taper | 5 |
| D1 (maks.) | 82,578 mm |
| D2 | 104,8 mm |
| D3 | 60 mm |
| H1 | 90 mm |
| Maks. kierrosluku | 2000 rpm |
| Paino n. | 29 kg |





