Ominaisuudet
Malli:
- Vakiomallinen 4-leukaistukka laadukasta valurautaa
- DIN 55029 mukainen Camlock-suorakiinnitys
- Sisältää 1 sarjan sekä sorvaus- että porrasleukoja
Käyttöalue:
- Sopii yleismallisiin sorveihin
Vakiovarusteet
- 1 sarja sorvausleukoja DIJ-DK11
- 1 sarja porrasleukoja DOJ-DK11
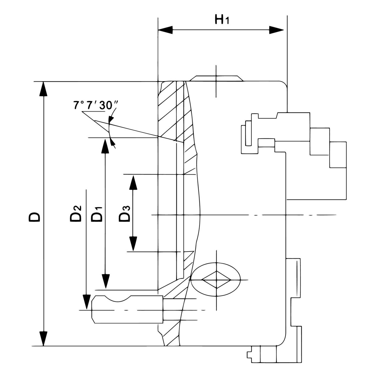
| Istukan koko | 250/D8 |
| D-halkaisija | 250 mm |
| Taper | 8 |
| D1 (maks.) | 139,734 mm |
| D2 | 171,4 mm |
| D3 | 80 mm |
| H1 | 96,5 mm |
| Maks. kierrosluku | 1600 rpm |
| Paino n. | 32 kg |





